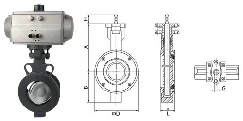
氣動雙偏心蝶閥也叫氣動高性能蝶閥,其結構特征為在閥桿軸心既偏離蝶板中心、也偏離本體中心,使閥門被開啟后蝶板能迅即脫離閥座、大幅度地消除了蝶板與閥座的不必要的過度擠壓、刮擦現象、減輕了開啟阻距、降低了磨損、提高了閥座壽命。閥座外面是活動的嵌件,法蘭夾的越緊、壓力越大密封性能越佳,配以單片撓性唇式密封座,適用于要求可靠密封和良好調節特性的場合。

| 公稱通徑 | DN50~DN700(MM) |
| 公稱壓力 | PN0.6、1.0、1.6、2.5、4.0MPa |
| 連接方式 | 對夾、法蘭、凸耳 |
| 驅動形式 | 壓縮空氣0.4-0.7mpa |
| 密封材質 | PTFE |
| 動作范圍 | 0~90度 |
| 結構形式 | 雙偏心 |
| 閥體材質 | 碳鋼、不銹鋼304、316、316L等 |
| 溫度范圍 | -40℃-300℃ |
| 控制形式 | 開關型、調節型(常開/常閉) |
1、單一的PTFE彈性閥座密封結構,通過系統壓力達到動態密封,經久耐用,可靠性高;
2、不必使用附加的密封圈或金屬部件即能保持可靠密封;
3、可操持雙向的無泄漏密封;
4、唇緣式密封設計補償了使用時溫度和壓力的變化;
5、在開啟和處于中間位置時閥座與蝶板不發生接觸。
6、維修方便只要取下壓板就可更換閥座,不必拆卸碟板和軸。

氣動雙偏心蝶閥是在中線結構的蝶閥基礎上,做了兩次偏心。第一處偏心是指閥桿軸偏離密封面中心,即閥桿軸在蝶板面的后面。這種偏心使蝶板和閥座的接觸面都是密封面,從根本上克服了中線蝶閥存在的先天不足,從而杜絕了閥桿軸與密封閥座間上下交點處發生內漏的可能性。另一處偏心是指閥體過水孔中心與閥桿軸心左右偏移,即閥桿軸將蝶板分隔成一邊多一邊少兩部分。這種偏心可使蝶板在開啟關閉過程中能迅速地脫離或接近閥座,減少蝶板與密封閥座間的行程摩擦、降低磨損、減小開閉力矩、延長閥座的使用壽命。